- Опис
- Додаткові параметри
- Коментар
- Опублікувати коментар
Патрон токарний тип 2105-K з механізованим затиском
- Виготовлені з високоміцної сталі, що збільшує термін служби патрона, при збереженні більшої жорсткості та великої зносостійкості
- Унікальна конструкція гайки клину виготовлена з міцної сталі і дозволяє здійснювати пряму передачу зусилля на майстер кулачки в область прямих кулачків ефективно забезпечуючи передачу великого зусилля затиску
- Загартовані та відшліфовані робочі поверхні забезпечують великий термін служби при збереженні точності та повторюваності
- Майстер кулачки c захистом від вильоту
- Майстер кулачки з безпосереднім змащенням маслом
- Клас балансування в межах G6,3
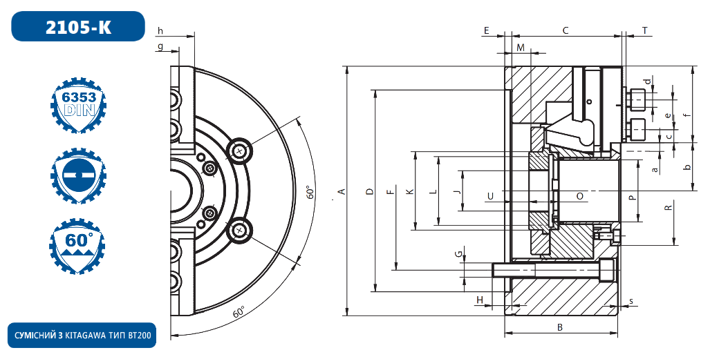
Характеристики токарного патрона 2105-160-45K
| A | 169 |
| B | 81 |
| C | 79 |
| Посадка D H6 | 140 |
| E | 6 |
| F | 104,8 |
| G | 4xM10 |
| H | 13,5 |
| J | 20 |
| K | 60 |
| L max | M55x2,0 |
| Макс. хід клина М | 16 (13/-3) |
| O | 19 |
| P | 45 |
| R | 70 |
| S | 2,6 |
| T | 3 |
| U min | -5 |
| U max | 11 |
| Макс. хід кулачків a | 3,5 |
| Зубчасте з'єдднання | 1,5x60° |
| b min | 30,2 |
| b max | 33,7 |
| c min | 9 |
| c max | 25,5 |
| d | M10 |
| e | 20 |
| f | 51 |
| g H7 | 12 |
| h | 38 |
| Макс. тягнуще зусилля [кН] | 15 |
| Макс. зусилля затиску [кН] | 38 |
| Макс. швидкість обертання [об/хв] | 6 000 |
| Момент інерції [кг м2] | 0,056 |
| Вага без накладних кулачків [кг] | 12 |
Виробник: BISON-BIAL S.A.
ІНШІ КАТЕГОРІЇ ТОВАРІВ
Додаткові параметри
| 2105-K | |
| прохідний отвір | |
| DIN6353, циліндрична посадка | |
| 2 кулачка | |
| 1,5x60° | |
| 169 | |
| 140 | |
| KITAGAWA тип BT200 |



